来源:中国医院建筑与装备
在疫情防控常态化的背景下,为进一步做好综合医院“平疫结合”可转换病区建设,一些医院对正负压转换手术室的建设方案进行了研究。
在疫情期间,部分医院启用了正负压转换手术室,或将其他设施应急改造为临时负压手术室,而这些应急改造的负压手术室在常态化管理工作中暴露出许多问题。
正负压转换手术室建设应遵循的规范
综合医院内设置负压手术室或正负压转换手术室应遵循的规范主要为《医院洁净手术部建筑技术规范》(GB 50333-2013)(以下简称 2013 版《规范》)和《综合医院“平疫结合”可转换病区建筑技术导则(试行)》(以下简称《技术导则》),这两个规范较为详尽地阐述了负压手术室或正负压转换手术室的建设要求。
综合医院有时须要进行特殊感染手术。特殊感染手术的定义为:病原菌感染力强,对周围环境可造成严重污染,但不会造成流行性疾病的手术,如绿脓感染伤口、气性坏疽和破伤风患者的手术等,以及患者病情危重且不能经过卫生处理的急诊手术。近年来,国外出现了将携带多重耐药菌患者的手术在负压手术室内进行的案例。
而传染病患者的手术与特殊感染手术有显著不同,其有可能造成流行性疾病的传播。法定空气传染性疾病患者的手术应该在采用全新风直流系统的负压手术室内进行,负压手术室建设必须符合相关的标准、规范。
正负压转换手术室建设要点
综合医院正负压转换手术室的建设是一项系统工程,在建设过程中应该注意以下几个方面的问题。
充分考虑手术室正负压转换的安全控制措施
手术室正负压转换措施或系统强调简便、有效,能够防范在转换过程中可能出现的任何故障、差错、误操作。美国的《医院通风标准》(ASHRAE-170)、日本的《医院设备设计导则(空调设备篇)》(HEAS-02-2013)等不推荐或明文规定不采用正负压转换手术室就是因为担心转换工况时出错、出现误操作或正负压逆转而引发交叉感染事件。
2013 版《规范》中的第8.1.14 条明确规定:“负压手术室顶棚排风口入口处以及室内回风口入口处均必须设高效过滤器,并应在排风出口处设止回阀,回风入口处设密闭阀。正负压转换手术室应在部分回风口上设高效过滤器,另一部分回风口上设中效过滤器;当供负压使用时,应关闭中效过滤器处密闭阀,当供正压使用时,应关闭高效过滤器处密闭阀。”《规范》条文解读中规定的负压手术室采用的不是直流式全新风系统,或者说,进行特殊感染类手术时允许采用带回风的负压手术室或正负压转换手术室。
负压手术室或正负压转换手术室在负压运行工况下,均允许采用经高效过滤器过滤除菌后的回风;负压手术室或正负压转换手术室并没有规定级别,可根据需要设置不同级别的负压手术室或正负压转换手术室;每间负压手术室应采用独立净化空调系统。负压手术室或正负压转换手术室形成负压的主要措施是靠手术室顶棚排风口的排风,如允许采用经高效过滤器过滤除菌后的回风,此时排风量大于新风量。根据“排风口吸风速度不应大于 2 m/s”来考虑排风口的面积对于Ⅰ级手术室可能不太合适,因为条文规定正负压转换手术室供负压使用时仅关闭中效过滤器处密闭阀,负压完全靠手术室顶棚排风口的排风实现,且排风量大于全部送风量,排风量过大,导致排风口太大,会形成上送上回气流组织。
《技术导则》给出了另一种方案。在第 6.5.1 条中要求“平疫结合区手术部,平时手术室按正压设计。手术部根据需要应当至少设置一间可转化为负压的全新风直流手术室,供疫情时使用,疫情时的排风管及排风机平时宜安装到位。疫情时负压手术室顶棚排风入口以及室内回风口处均安装高效过滤器,并在排风出口处设止回阀,关断回风管,打开排风管,启动排风机”。这个方案要求在疫情期间要将负压手术室顶棚排风入口以及室内回风口处安装的中效过滤器更换为高效过滤器;另设一套排风管与排风机供疫情时使用。按此要求设计的系统复杂,疫情期间转为负压手术室的措施烦琐。
确保恒定的负压
室内进行的感染手术可能对周围环境造成严重污染,在手术过程中应始终保证恒定的负压。当手术室由正压转为负压时,周围用房的压差也会因此变化,要有相应的措施保证在转换后仍能保持所在手术部原来设定的定向气流的流向。
考虑人流与物流
当手术室由正压转为负压后,要考虑原来设定的人流与物流是否要调整,要特别关注手术患者进出、医护人员穿防护服及术后更衣、术后医疗废弃物收集及转运等流程。术后污物应就地打包,由专门通道尽快运出。
2013 版《规范》中的第 7.2.5条规定:“负压手术室和感染手术室在出入口处都应设准备室作为缓冲室。负压手术室应有独立出入口。”这两点是负压手术室的必要条件,或者说,如果没有合适的平面布局及相应的人流路径,随意将一个手术室变成负压并为传染病患者进行手术的风险很大。
综上所述,负压手术室应位于医院现有洁净手术部内相对独立的区域,有独立出入口。以这间手术室为中心建立隔离区域,做好区域内洁污分流、医患分流的规划,确保合理组织气流,避免流线交叉,并要与该医院其他相关功能区保持必要、便捷的联系。正负压转换手术室的净化空调系统应独立控制。
正负压转换手术室建设案例分析
上海某医院经全面考察与分析,认为该院7号楼六层的洁净手术部的9号手术室位于该洁净手术部的一端,离污物处理区、污物走廊、污物电梯很近,易于封闭,适合改建为正负压转换手术室。改建后,该手术室平时用于实施特殊感染类手术。因为该院不是疫情时呼吸道传染病患者救治的定点医院,疫情时该负压手术室只用于急救手术, 呼吸道传染病患者的择期手术不是该院的任务。

平面布局
正负压转换手术室是一个系统工程。将手术部内某手术室由正压转换成负压并不难,但要妥善做 好相应辅助用房、人流与物流路径的转换以及手术部内各空间的有序压力梯度分布的再平衡则不是一件容易的事。没有完善的疫情紧急预案,很可能会出现交叉污染;但也不必采取过于严格的控制措施, 如辅助用房过多、缓冲要求过严、负压以及压差设置过高等等,手术室正负压转换或控制程序过于烦琐容易造成误操作或医疗工作不便,反而会增加感染风险。合规的负压手术区域应配置5个区。

为了做好平疫结合,在疫情期间手术室转换为负压时,既要确保负压手术区具有合理的压差分布, 又不影响整个手术部原来设定的洁污分流、医患分流的流程。2013 版《规范》中的第7.2.6条规定:负压手术室和感染手术室在出入口处都应设准备室作为缓冲室;负压手术室应有独立出入口;负压手术室在手术过程中会生产气溶胶以及大量感染性物质,负压手术室应成为整个负压手术区的负压最低处,前侧的洁净走廊与前缓冲室应维持正压,后缓冲室、污物走廊应保持稍低于手术室的负压。
相关科室经过讨论后确定的改建方案如下图所示。

改建后整个负压手术区自成一区、相对独立, 可形成独立出入口,便于区域封闭管理。前缓冲室供手术用无菌物品进入,手术人员在进入手术区前更衣、穿刷手服,沿洁净走廊进入前缓冲室,刷手、消毒后穿防护服进入负压手术室。后缓冲间分为患者换车区与医护人员脱防护服区,两区之间可以设置隔墙。手术后,术后患者、医护人员进入后缓冲室, 医护人员在缓冲间脱防护服,由污物梯出去。随后, 术后污物在手术室内打包,进入后缓冲区,再由污物梯出去。后缓冲室的两侧门平时常闭,只供消毒与清洗时使用。当然,改建的负压手术区方案也有许多不太理想之处,但基本上依据2013 版《规范》实现了洁污分流、医患分流。由于在正负压转换手术室前后各设置了缓冲间,转换时对手术部原有的压力梯度分布影响不大。
净化空调系统
目前正负压转换手术室净化空调系统常见方案有两种,即依据2013版《规范》及《技术导则》推荐的方案,两者差别见下表。

2013 版《规范》推荐的正负压转换手术室净化空调系统流程图
符合《技术导则》要求的正负压转换手术室净化空调系统流程图
这两个方案各有优缺点,笔者认为手术室净化空调系统的正负压转换应该选用合适的措施,不能太复杂。从系统运行情况来看,2013版《规范》推荐的方案较为节能,但仅靠加大顶部排风量形成负压对于控制气溶胶传播不利。当然也可以将2013版《规范》推荐方案中的回风管改为排风管,须要另设一套系统,且系统转换也较为复杂。按《技术导则》要求设置的净化空调系统较为简单、有效,只须另设一条排风管备用。疫情时手术室顶棚排风入口以及室内回风口处均安装高效过滤器,并在排风出口处设止回阀,关断回风管,打开排风管,启动排风机,不须要加大排风量,这样就可以方便地转换为拥有全新风全排风直流系统的负压手术室。符合《技术导则》要求的正负压转换手术室方案的不足在于疫情时关断回风管、打开排风管、启动排风机有可能破坏手术室的上排风与下回风之间的风量平衡,须要临时调试并使其达到再平衡,而两者风量相差太大难以实现再平衡;如果为上排风口另外单独配置一台排风机以克服排风口新换的高效过滤器的阻力,须要在正压手术室转换为负压时进行切换,这样就需要两套排风系统同时切换,较为复杂。
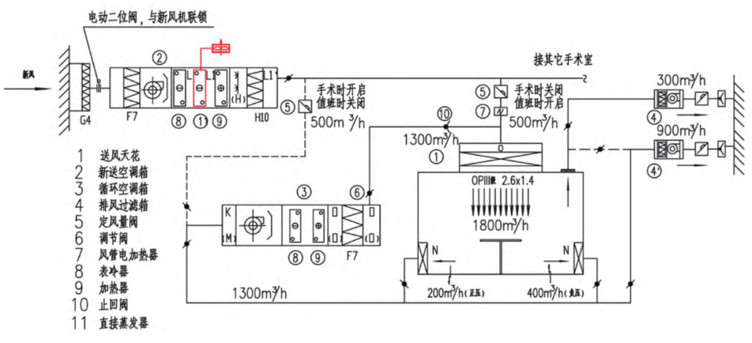
改建方案
综合以上分析,基于《技术导则》的要求设计了一个较为合理的方案,洁净手术室级别确定为Ⅲ级。在平时,开启手术室净化空调系统回风电动总风阀与上排风电动风阀,手术室处于正压状态;疫情时关闭手术室净化空调系统回风电动总风阀与上排风电动风阀,开启排风系统电动风阀,即可实现手术室负压。由于所有风阀均采用双位控制,系统较为简单,转换也更为方便, 不易出错。

正负压转换手术室净化空调系统方案(红色区域是本方案的优化部分)
尽管最新颁布的一些国外标准已经没有要求采用顶排风的条文,但是本方案在转换为负压手术室时关闭顶棚排风的做法仍然可能引起争议。目前手术大多采用静脉注射麻醉,气体麻醉的案例越来越少;即使手术时采用气体麻醉,随着麻醉设备自带的排气装置的性能越来越好,麻醉余气逸漏量很少。考虑到疫情毕竟不是经常出现,而且疫情期间新冠肺炎患者的手术往往是应急的,更多采用静脉注射麻醉,加上采用上送下回的直流式全 新风机组能将手术过程中产生的气体污染物有效排出,因此本方案在将手术室转换为负压时直接关闭顶棚排风机,操作简便,可避免出错,且能够保证手术室内良好的空气质量。
有文献推荐在正负压转换手术室设置恒压差可变新风量净化空调机组,这也是较为成功的案 例。平时可开启节能模式,根据室内与室外的实时状况调节新风量,实现节能运行及优化室内空气质量;在过渡季,气候合适时可采用非全新风模式运行,在任何运行工况下均可以维持室内外压差不变。疫情时只须按一个按钮就可转换为直流式全新风运行模式,且能够维持恒定的压差。这种机组可以十 分简便地实现正负压转换。在该项目中,7号楼六层的9号洁净手术室原有的净化空调机组较为完好,不更换新的净化空调机组是较为经济的方案。